yd12300云顶线路(中国)有限公司

86-574-63780312
当前位置: 首页 » 产品信息» 同步电机49TYJ-C-II
     
    产品名称同步电机49TYJ-C-II

     

     
    型号49TYJ-C-II

     

     
    应用范围电风扇、电暖器、浴霸、洗衣机、展示台、制冰机等
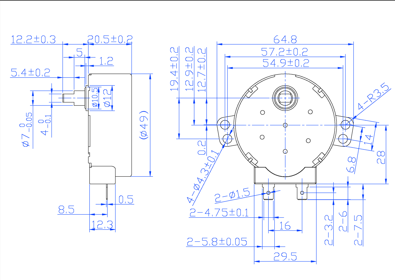
    外观安装尺寸图 SCHEMATIC CIRCUIT
    电机主要性能表 SPECIFICATION
上一个:荣誉证书 下一个:同步电机49TYJ-J

服务热线: 0086-574-63780312 13968215666 传 真:0086-574-63788566 

地址:浙江省慈溪滨海经济开发区镇龙五路288号 技术支持:搜派科技